Luis Lopez

Crafting digital experiences

Explore my projects and verify my skills.

Sobre Mí

Luis Lopez

Ingeniero & Desarrollador

Con 5 años en la industria manufacturera, me desempeñé como Ingeniero de Procesos y, por gusto hacia la automatización, cambié a Ingeniería de Pruebas. Este camino me llevó a la industria del software, donde he trabajado activamente durante los últimos 5 años.

Mi experiencia abarca el desarrollo de sistemas embebidos para robótica, el mantenimiento de soluciones POS para el sector retail y trabajé en sistemas financieros backend que integran flujos de ingeniería de datos.

Embedded Systems Backend Dev Data Engineering Electronics C/C++ Python Java C# SQL ESP32 STM32 Arduino RPi Pico

Certifications

Proyectos Destacados

Conveyor Belt System

Sistema automatizado para clasificación de materiales ferrosos y no ferrosos en la industria alimentaria.

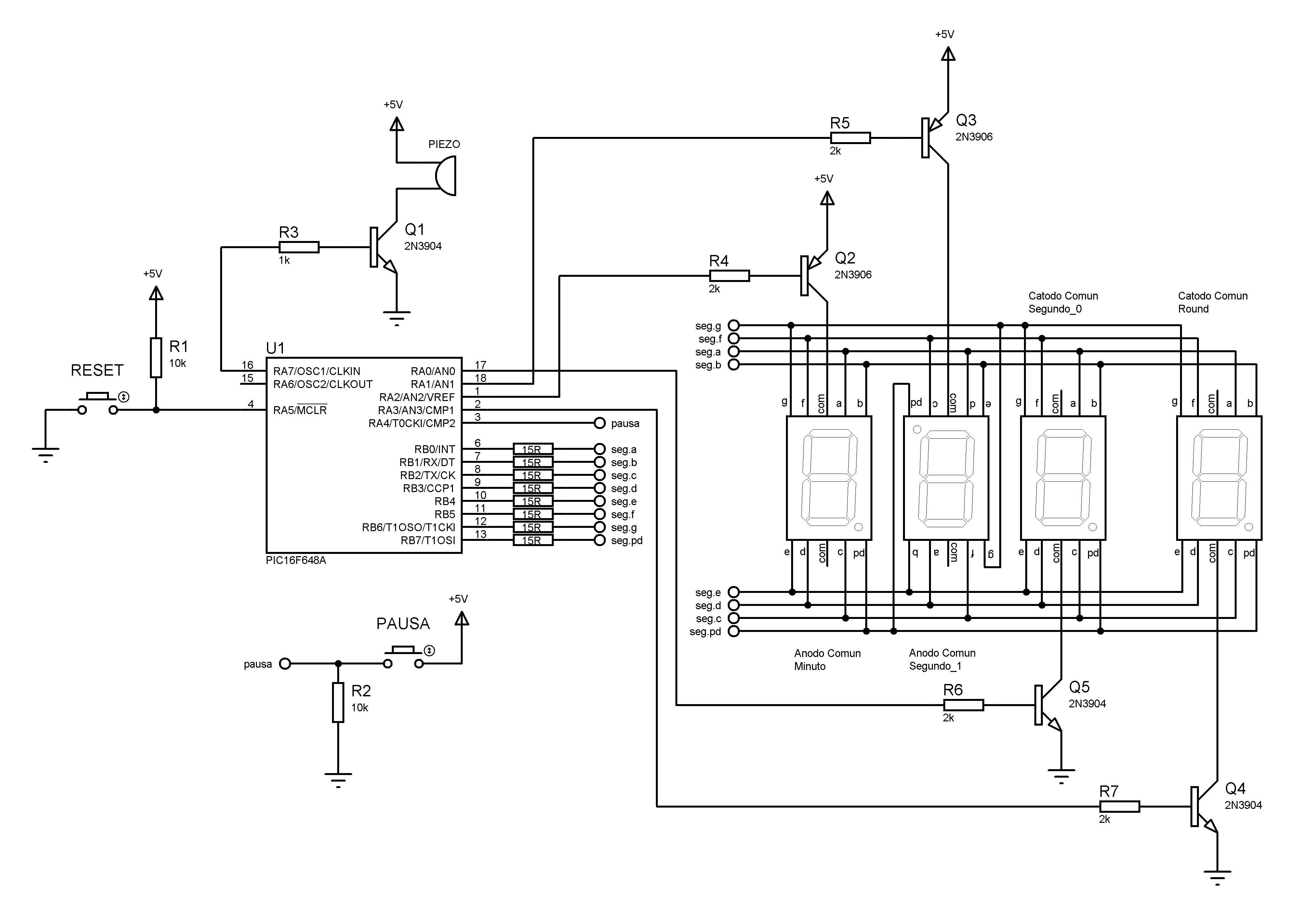
PIC Microcontroller Timer

Implementación de temporizador digital usando un microcontrolador PIC para cronometraje preciso.

TTL Logic Timer

Temporizador deportivo diseñado específicamente usando compuertas lógicas TTL.

Electro-Mechanical Auto

Sistema integrando componentes eléctricos y mecánicos para procesos automatizados.

Curriculum Vitae

Descarga mi CV para ver mi experiencia completa y habilidades detalladas.

Descargar PDF

Contacto

Contáctame si deseas colaborar, tienes algo interesante que compartir o quieres discutir una nueva oportunidad.